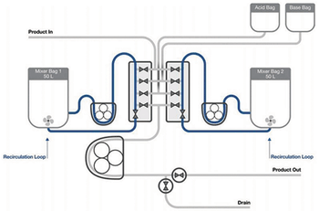
Assessing Viral Inactivation for Continuous ProcessingByMark Schofield,Kyle JonesSeptember 28th 2018Testing demonstrates an automated semi-continuous process strategy for viral inactivation with steps that mimic batch processing.